爱游戏平台
爱游戏(中国)一站式服务平台介绍
企业介绍
组织架构
企业荣誉
领导关怀
新闻动态
爱游戏(中国)一站式服务平台新闻
政策要闻
党建工作
组织架构
党建阵地
党群活动
工青妇
荣誉鼓励
信息公开
水质检测报告
环境信息公开
职位招聘
通知公告
爱游戏(中国)一站式服务平台
电话地址
意见箱
总经理信箱
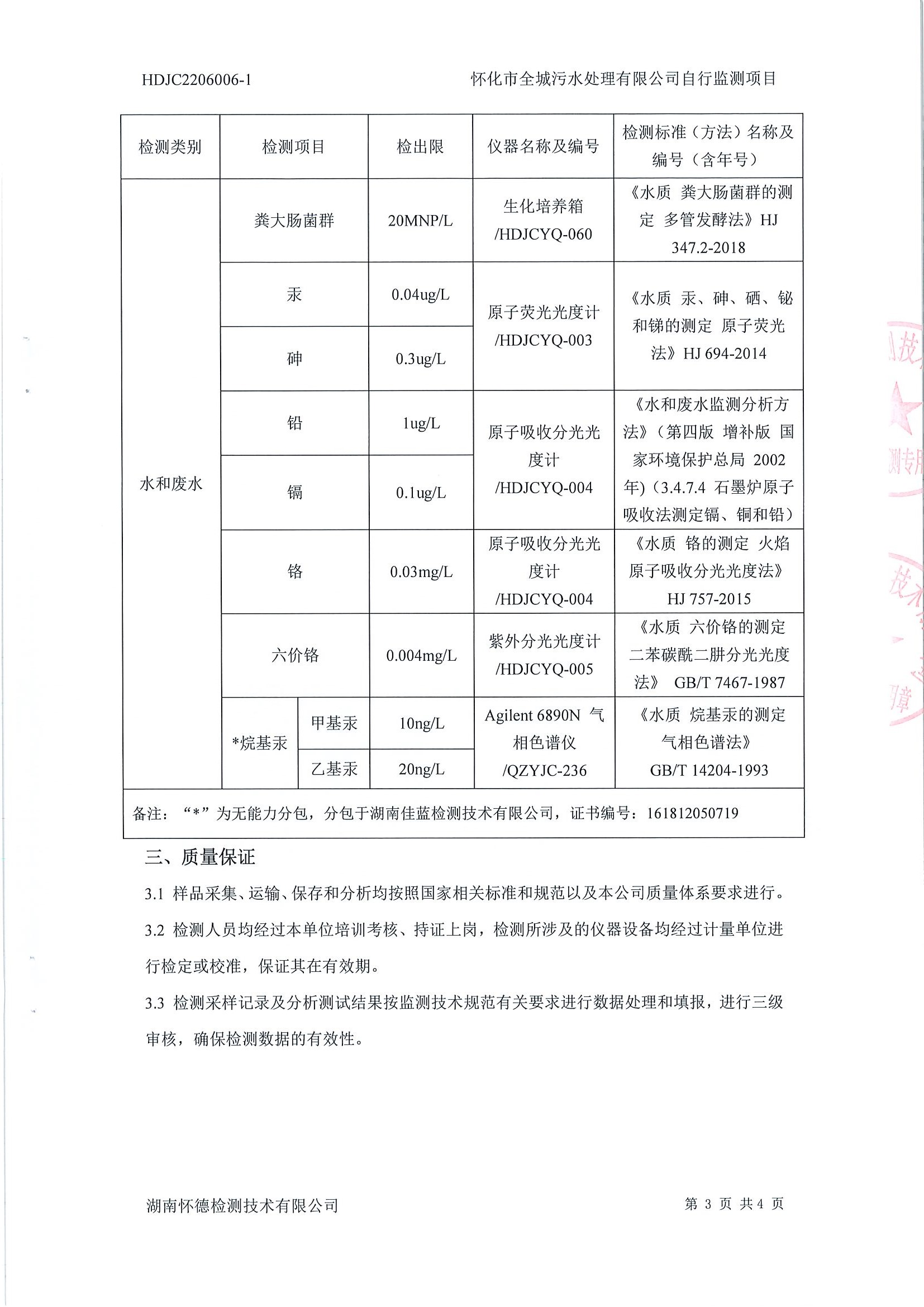
怀德检测 2022年6月 污水检测报告
2022-07-04 11:33:57
上一篇:
湖南怀德检测技术有限爱游戏(中国)一站式服务平台 2025年10月 出水水质检测报告
下一篇:
怀德检测 2022年5月 污水检测报告
九游·官方版在线入口
|
开云app注册
|
ky官方网站
|
开云网页版页面登录
|
乐动平台app官网_乐动(中国)
|
九游在线注册
|
买球(中国)官方网站
|
九游体育平台官方网站
|
开云手机平台_开云(中国)
|